Part Number: 1181-24-32

SAE J518 C61 / ISO 6162-1 x SAE J518 C61 / ISO 6162-1 > O-ring Face > Flat Face > Elbow > Carbon Steel > Imperial (Inch) > 1181-24-32

Series
SAE J518 C61 / ISO 6162-1 x SAE J518 C61 / ISO 6162-1
Face Type(Pattern 1)
O-ring Face
Face Type (Pattern 2)
Flat Face
Geometry
Elbow
Material
Carbon Steel
Mounting
Imperial (Inch)
Pad Size (Pattern 1)
24    1 1/2 inch    38 mm
Pad Size (Pattern 2)
32    2 inch    51 mm
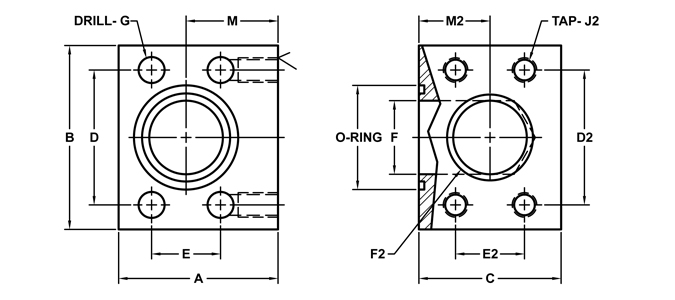
1181-24-32
A
4.00
B
4.00
C
4.00
D
2.750
E
1.406
G
0.53
F
1.50
M
2.38
D2
3.062
E2
1.688
J2
1/2-13
F2
1.94
M2
2.09
Mounting Kit (sold separately)
MK 1508
Screw Size
1/2-13 x 5 SHCS
O-Ring
225