Part Number: 1181-16-12

SAE J518 C61 / ISO 6162-1 x SAE J518 C61 / ISO 6162-1 > O-ring Face > Flat Face > Elbow > Carbon Steel > Imperial (Inch) > 1181-16-12

Series
SAE J518 C61 / ISO 6162-1 x SAE J518 C61 / ISO 6162-1
Face Type(Pattern 1)
O-ring Face
Face Type (Pattern 2)
Flat Face
Geometry
Elbow
Material
Carbon Steel
Mounting
Imperial (Inch)
Pad Size (Pattern 1)
16    1 inch    25 mm
Pad Size (Pattern 2)
12    3/4 inch    19 mm
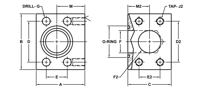
1181-16-12
A
2.50
B
2.82
C
2.50
D
2.062
E
1.031
G
0.41
F
1.00
M
1.41
D2
1.875
E2
0.875
J2
3/8-16
F2
0.75
M2
1.34
Mounting Kit (sold separately)
MK 577
Screw Size
3/8-16 x 3.25 SHCS
O-Ring
219