Part Number: 1102-12-16M10

SAE J518 C61 / ISO 6162-1 > Flat Face > Socket Weld for Pipe > In-Line > Carbon Steel > Metric (mm) > 1102-12-16M10

Series
SAE J518 C61 / ISO 6162-1
Face Type
Flat Face
Port Style
Socket Weld for Pipe
Geometry
In-Line
Material
Carbon Steel
Mounting
Metric (mm)
Pad Size
12    3/4 inch    19 mm
Port Size
16    1 inch   
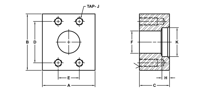
1102-12-16M10
A
2.00
B
2.62
C
1.75
D
1.875
E
0.875
J
M10x1.5
F
0.75
K
1.335
H
0.50