Part Number: 1182-12-12

SAE J518 C61 / ISO 6162-1 x SAE J518 C61 / ISO 6162-1 > Flat Face > Flat Face > Elbow > Carbon Steel > Imperial (Inch) > 1182-12-12

Series
SAE J518 C61 / ISO 6162-1 x SAE J518 C61 / ISO 6162-1
Face Type(Pattern 1)
Flat Face
Face Type (Pattern 2)
Flat Face
Geometry
Elbow
Material
Carbon Steel
Mounting
Imperial (Inch)
Pad Size (Pattern 1)
12    3/4 inch    19 mm
Pad Size (Pattern 2)
12    3/4 inch    19 mm
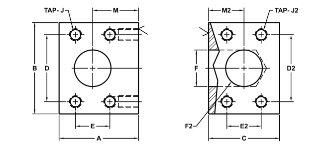
1182-12-12
A
2.50
B
2.62
C
2.25
D
1.875
E
0.875
J
3/8-16
F
0.75
M
1.47
D2
1.875
E2
0.875
J2
3/8-16
F2
0.75
M2
1.22