Part Number: 1101-12-00M10

SAE J518 C61 / ISO 6162-1 > O-ring Face > Blind (Blanking) > In-Line > Carbon Steel > Metric (mm) > 1101-12-00M10

Series
SAE J518 C61 / ISO 6162-1
Face Type
O-ring Face
Port Style
Blind (Blanking)
Geometry
In-Line
Material
Carbon Steel
Mounting
Metric (mm)
Pad Size
12    3/4 inch    19 mm
Port Size
00    NA inch   
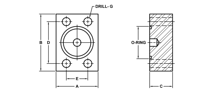
1101-12-00M10
A
1.75
B
2.62
C
1.00
D
1.875
E
0.875
G
0.41
Mounting Kit (sold separately)
MKM 502
Screw Size
M10x1.5 x 40 SHCS
O-Ring
214