Part Number: 1220-06-06

SAE J1926 (ORB) Threaded > Carbon Steel > 1220-06-06

Port 1 Style
Tank Port
Port 2 Style
SAE J1926 (ORB) Threaded
Material
Carbon Steel
Port 1 Size
06    3/8 inch   
Port 2 Size
06    3/8 inch   
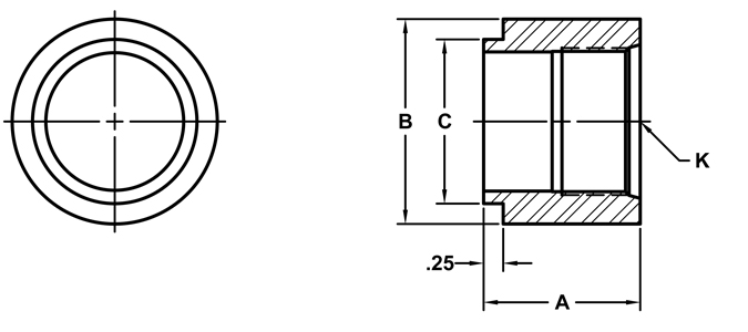
1220-06-06
A
1.38
B
1.12
C
0.73
K
9/16-18
FootNotes
NOTE: The pressure rating of the assembly should NOT exceed the lower of the flange pad or the fitting. Check the fitting manufacturer for details.